Quality Control / Engineering

IFC employs two professional mechanical engineers able to design products suitable to a customer’s specific need based on process conditions. Whether you need a carbon steel strainer or a custom diffuser, IFC’s team of engineers produces over a thousand customized AutoCAD drawings per year. We strive to provide superior customer service, attention to detail and consideration of each project’s unique requirements using design software from Compress, AutoCAD & Solidworks. All of our products, from carbon steel strainers to fabricated tanks, are properly manufactured in accordance with the applicable code requirements. 

 

Engineering and Project Management

Our engineering department carries out the company's project management duties. From carbon steel strainer varieties to moisture separators, IFC has undertaken projects for many petrochemical, hydroelectric and engineering clientele throughout the world. Our customers trust us to design products that are reliable, safe and efficient - we aim to exceed their expectations each time. 

View a list of sample engineering projects below.

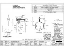
Lake Charles Chemical Project

Client: Sasol Chemicals, LLC

Project Name: Lake Charles Chemical Project 

Location: Lake Charles, Louisiana USA

Product Supplied: Various Tee, Simplex Basket & Conical type Strainers ranging from ½” to 72” Diameter

Year Supplied: 2016 / 2017

Description of Sample Drawing: IFC Model # T150BWSBDW2. Custom Fabricated 66” Angle-Flow Tee-Type Strainer with Davit Arm Assembly to assist with Basket element removal during Maintenance.

Special Requirements: All Butt-Welds were subject to 100% Radiography & all Fillet Welds were subject to 100% Magnetic Particle Examination. Strainer was Post Weld Heat Treated (PWHT) to 1200 Degrees F for duration of 1 hour after Fabrication. After PWHT, all pressure-retaining welds were subject to Production Hardness Testing in accordance with NACE SP0472, Para. 2.2.7.

Assembled Weight: Approximately 12,000 lbs. 

Fort Hills East Tank Farm

Client: Suncor Energy

Project Name: Fort Hills East Tank Farm

Location: Fort McMurray, Alberta Canada

Product Supplied: Various Tee, “Y”, Simplex Basket & Conical type Strainers ranging from ½” to 48” Diameter.

Year Supplied: 2016

Description of Sample Drawing: IFC Model # T300BWLCBDW1. Custom Fabricated 30” ANSI Class 300 lb. Inline Flow Tee-Type Strainer with Davit Arm Assembly to assist with Basket element removal during Maintenance. The Strainers were designed and supplied with Canadian Registration Numbers for use in the Province of Alberta with an Minimum Design Metal Temperature of -49 Degrees F.

Special Requirements: All Butt-Welds were subject to 100% Radiography & all Fillet Welds were subject to 100% Magnetic Particle Examination. Strainer was Post Weld Heat Treated (PWHT) to 1150 Degrees F for duration of 1 hour after Fabrication.

Assembled Weight: Approximately 4500 lbs.

 

Grand Rapids Connection Project

Client: Enbridge Pipelines Inc.

Project Name: Grand Rapids Connection Project 

Location: Edmonton, Alberta Canada

Product Supplied: 16” ANSI Class 300 lb. Custom Fabricated Simplex Basket Strainers.

Year Supplied: 2017

Description of Sample Drawing: IFC Model # B300FSYW1. Custom 16” ANSI Class 300 lb. Fabricated Basket Strainer equipped with Quick Opening “Tube Turns” Double-Bolt Vertical Closure to assist with Basket element removal during Maintenance.  The Strainers were designed and supplied with ASME Code “U” Stamp along with Canadian Registration Numbers for use in the Province of Alberta. Special Internal & External Epoxy Coatings were applied to these Strainers to assist with corrosion resistance in the Field under operating conditions.

Special Requirements: All Butt-Welds were subject to 100% Radiography & all Fillet Welds were subject to 100% Magnetic Particle Examination.

Assembled Weight: Approximately 2500 lbs. 

St. Joseph Energy Centre

Client: Kiewit Power Constructors c/o Ares Management & Toyota Tsusho.

Project Name: St. Joseph Energy Center 

Location: New Carlisle, Indiana USA 

Product Supplied: Various Tee, “Y”, Simplex Basket & Dual Basket type Strainer Assemblies ranging from ½” to 36” Diameter.

Year Supplied: 2017

Description of Sample Drawing: IFC Model # DB150FSHDW1. Custom 24” Fabricated Dual Basket Strainer equipped with Quick Opening T-Bolt Closure & Davit Arm Assembly to assist with Basket element removal during Maintenance. 

Special Requirements: The Strainers were designed and supplied with multiple Basket elements to maximum the straining Surface Area & limit to weight of each Basket for maintenance purposes. Special Internal Epoxy Coating was applied to the complete Assembly to assist with corrosion resistance in the Field during operation.

Assembled Weight: Approximately 12,600 lbs.

 

Request a Quote
Customer Information
Product
Position
Upload PDF
Message / Comments